Hydraulik Winkelverschraubung, BSPT

Einsatzbereich:

Aufsteckbarer Winkel mit BSPT-Gewinde, geeignet für Luft, Wasser und Lebensmittel.

Konstruktion:

Entwickelt um ein hohes Maß an Hygiene und eine lange Lebensdauer zu erreichen.

Qualität:

Hergestellt aus Edelstahl AISI 316.

Temperatur:

Der Temperaturbereich reicht von -40°C bis +140°C.
Maximaler Betriebsdruck 25 bar bei +20°C. 

Artikelnummer Nominal Dim.
mm.
Verbindung
RG
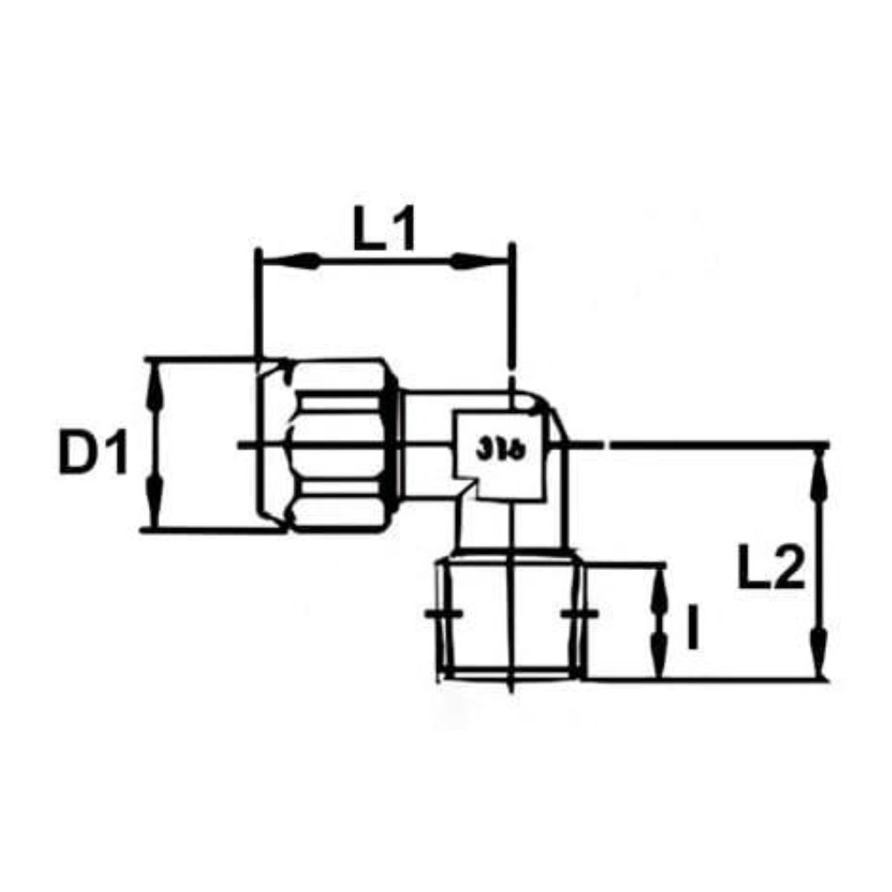
D1 Dm.
mm.
Einbaumaße L1
mm.
Einbaumaße L2
mm.
Fadenlänge I
mm.
Nettogewicht
kg.
Basiseinheit Anzahl
0278290601 6,0 1/8" 13,0 22,5 18,5 9,0 0,019 Stck.
0278290602 6,0 1/4" 13,0 22,5 21,0 10,5 0,022 Stck.
0278290801 8,0 1/8" 15,5 22,5 18,5 9,0 0,020 Stck.
0278290802 8,0 1/4" 15,5 21,4 32,0 9,0 0,053 Stck.
0278291002 10,0 1/4" 18,5 24,5 21,0 10,5 0,028 Stck.
0278291204 12,0 1/2" 21,0 30,5 29,0 14,0 0,040 Stck.
Falsche Produktdaten, Abweichungen bei Bildern/Videos sowie Preis- und Wechselkursänderungen vorbehalten.
Luk

Es dauert nur 1 Minute...

Luk
Einloggen

Ein Fehler ist aufgetreten!

Neues Passwort erstellen

Ein Fehler ist aufgetreten!

Wir haben Ihnen eine E-Mail zum Erstellen Ihres neuen Passworts geschickt. Bitte prüfen Sie auch den Spam-Ordner.