Be- und Entlüftungsventil

Anwendung:

Das Be- und Entlüftungsventil wird häufig für Lagertanks verwendet.
Das Ventil funktioniert auf die gleiche Weise wie ein Rückschlagventil.

Aufbau:

  • Das Ober- und Unterteil sind mit einer Standardmutter verschraubt
  • Das Unterteil hat eine Schweißverbindung
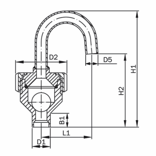
  • Das kleine Entlüftungsrohr am Oberteil kann in jede beliebige Position geschwenkt werden

Qualität:

  • Produktdruck: 10 bar
  • Rostfreier Stahl AISI 316

Betriebsbedingungen:

Maximal zulässige Betriebstemperatur: <90°C.

Artikelnummer Nom. dim. - DN D1 Dm.
mm.
D2 Dm.
mm.
Dm. mm.
D5
Höhe H1 - mm. Højde H2 - mm. Länge L1
mm.
Bredde mm. - B1 Gewicht/Stk.
kg.
Basiseinheit Anzahl
0509300150 15 19,0 x 1,5 54,0 12 x 1 122,0 77,0 53,0 14,5 0,47 Stck.
Falsche Produktdaten, Abweichungen bei Bildern/Videos sowie Preis- und Wechselkursänderungen vorbehalten.
Luk

Es dauert nur 1 Minute...

Luk
Einloggen

Ein Fehler ist aufgetreten!

Neues Passwort erstellen

Ein Fehler ist aufgetreten!

Wir haben Ihnen eine E-Mail zum Erstellen Ihres neuen Passworts geschickt. Bitte prüfen Sie auch den Spam-Ordner.