Patronendichtung LDC40 Doppel

Anwendung:

Doppelkartusche zum Abdichten und Verhindern von Flüssigkeits- oder Gaslecks. Doppeltwirkende Patronendichtungen werden bei anspruchsvolleren Anwendungen eingesetzt, bei denen Einzelpatronen nicht ausreichen.

Bitte beachten Sie, dass das Produkt in weiteren als den aufgeführten Abmessungen und Materialien geliefert werden kann. Bitte kontaktieren Sie uns für weitere Informationen.

Konstruktion:

  • Multispring
  • Ausbalanciert
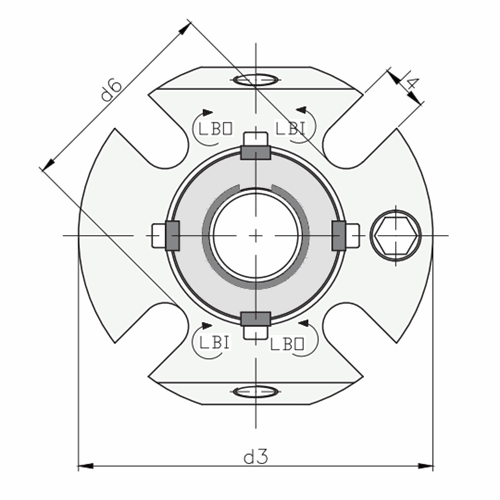
  • Mit 4 Befestigungslöchern
  • Unabhängig von der Drehrichtung

Qualität:

  • Flansch aus rostfreiem Stahl AISI 316
  • Buchse aus Hastelloy

Betriebsgrenzen:

d= diameter, p = pressure, v = velocity, t = temperature

  • d1 = 25 ÷ 100 mm
  • p = 25 kg/cm2
  • v = 16 m/s
  • t = -15 ÷ +200°C

Komponenter:

1p. Rotierende Kontaktfläche Produktseite
2p. Stationäre Kontaktfläche Produktseite
1a. Stehende Kontaktfläche atmosphärische Seite
2a. Rotierende Kontaktfläche atmosphärische Seite
  3. O-Ringe
  4. Federn
  5. Stellschrauben
  6. Buchse
  7. Flansch
  8.
Befestigungsschellen
  9. Flachdichtung
10. Fixierring

Artikelnummer Schaftdm.
mm.
Länge L1
mm.
Länge L3
mm.
Radius
Zoll
Bolt dia. mm. - L4 Dm. mm.
D3
Dm. mm.
D4
Dm. mm.
D5
Dm. mm.
D6
Stationäres Teil
Produktseite
Rotierender Teil
Produktseite
Stationärer Teil
Material
Rotierendes Teil
Material
Gummi
Qualität
Basiseinheit Anzahl
034540203075V 30,0 53,4 33,1 1/4" NPT 13,2 105,0 49,0 - 56,0 48,0 67,0 Sic Sic Sic Kohle Viton Stck.
034540203875E 38,0 53,4 33,1 3/8" NPT 13,4 123,0 57,0 - 66,0 56,0 75,0 Sic Sic Sic Kohle EPDM Stck.
034540206075V 60,0 53,4 33,1 3/8" NPT 18,0 157,0 79,0 - 91,0 78,0 102,0 Sic Sic Sic Kohle Viton Stck.
034540207075V 70,0 53,4 33,1 3/8" NPT 18,0 178,0 95,0 - 108,0 93,0 118,0 Sic Sic Sic Kohle Viton Stck.
034540209995V 100 63,9 44,1 22,0 218,0 127,0 125,4 154,0 TC TC Sic Kohle VITON Stck.
Falsche Produktdaten, Abweichungen bei Bildern/Videos sowie Preis- und Wechselkursänderungen vorbehalten.
Luk

Es dauert nur 1 Minute...

Luk
Einloggen

Ein Fehler ist aufgetreten!

Neues Passwort erstellen

Ein Fehler ist aufgetreten!

Wir haben Ihnen eine E-Mail zum Erstellen Ihres neuen Passworts geschickt. Bitte prüfen Sie auch den Spam-Ordner.