Dichtung für In-Line Schauglas

Anwendung:

Dichtung zur Verwendung in In-Line-Schaugläsern.

Temperatur:

Temperaturbereich von -40°C bis +150°C.

Qualität:

Die Dichtung ist aus EPDM oder NBR hergestellt.

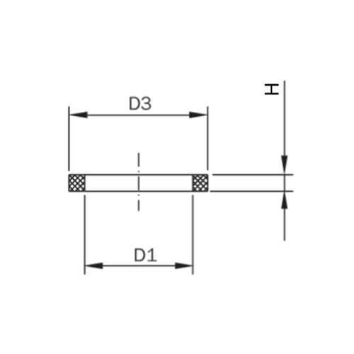
Artikelnummer Nominal dim.
Zoll
Nom. dim. - DN D1 Dm.
mm.
Dm. mm.
D3
Höhe H
mm.
Gummi
Qualität
Basiseinheit Anzahl
0133170100 10 10,0 16,0 3,0 EPDM Stck.
0133170150 15 16,0 23,0 3,0 EPDM Stck.
0133170200 20 20,0 27,0 3,0 EPDM Stck.
0133170250 1" 25 26,0 33,0 3,0 EPDM Stck.
0133170320 32 32,0 39,0 3,0 EPDM Stck.
0133170380 1½" 40 38,0 51,0 3,0 EPDM Stck.
0133170510 2" 50 50,0 61,0 3,0 EPDM Stck.
0133170640 2½" - 61,0 72,0 3,0 EPDM Stck.
0133170650 65 66,0 76,0 3,0 EPDM Stck.
0133170760 3" 76,0 87,0 4,0 EPDM Stck.
0133170800 - 80 81,0 91,0 4,0 EPDM Stck.
0133171000 4" 100 100,0 110,0 4,0 EPDM Stck.
0133180100 10 10,0 16,0 3,0 NBR Stck.
0133180150 15 16,0 23,0 3,0 NBR Stck.
0133180200 20 20,0 27,0 3,0 NBR Stck.
0133180250 1" 25 26,0 33,0 3,0 NBR Stck.
0133180320 32 32,0 39,0 3,0 NBR Stck.
0133180400 1½" 40 38,0 51,0 3,0 NBR Stck.
0133180510 2" 50 50,0 61,0 3,0 NBR Stck.
0133180640 2½" 61,0 72,0 3,0 NBR Stck.
0133180650 65 66,0 76,0 3,0 NBR Stck.
0133180760 3" 76,0 87,0 4,0 NBR Stck.
0133180800 80 81,0 91,0 4,0 NBR Stck.
0133181000 4" 100 100,0 111,0 4,0 NBR Stck.
Falsche Produktdaten, Abweichungen bei Bildern/Videos sowie Preis- und Wechselkursänderungen vorbehalten.
Luk

Es dauert nur 1 Minute...

Luk
Einloggen

Ein Fehler ist aufgetreten!

Neues Passwort erstellen

Ein Fehler ist aufgetreten!

Wir haben Ihnen eine E-Mail zum Erstellen Ihres neuen Passworts geschickt. Bitte prüfen Sie auch den Spam-Ordner.