Schutzglas für In-Line-Schauglas, Polycarbonat

Anwendung:

Wird zum Schutz von AWH-In-Line-Schaugläsern verwendet. Das Schutzglas ist beständig gegen Mineralsäuren, viele organische Säuren, Oxidations- und Reduktionsmittel, neutrale und saure Salzlösungen, viele verschiedene Fette, Wachse und Öle.

Konstruktion:

  • Transparent (Durchsichtigkeit >86%)
  • Hochgradig bruchfest
  • Einschränkungen in der Anwendung: nicht sehr kratzfest und nicht für Teile geeignet, die mit dem Produkt in Berührung kommen

Temperatur:

Bis zu ca. 120°C, kurzzeitig bei der Reinigung.

Qualität:

Thermoplastisches Polymer. 

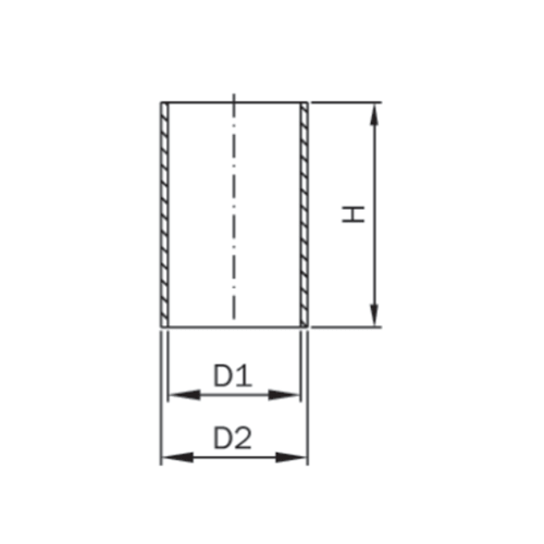
Artikelnummer Nominal dim.
Zoll
Nom. dim. - DN D1 Dm.
mm.
D2 Dm.
mm.
Höhe H
mm.
Gewicht/Stk.
kg.
Basiseinheit Anzahl
0133160100 - 10 20,0 24,0 50,0 0,01 Stck.
0133160150 - 15 27,0 30,0 50,0 0,01 Stck.
0133160200 - 20 35,0 38,0 50,0 0,01 Stck.
0133160250 1" 25 36,0 40,0 61,0 0,01 Stck.
0133160320 32 42,0 45,0 61,0 0,02 Stck.
0133160380 1½" 40 54,0 60,0 61,0 0,02 Stck.
0133160510 2" 50 66,0 70,0 61,0 0,03 Stck.
0133160640 2½" 65 65,0 75,0 85,0 0,21 Stck.
0133160760 3" 80 95,0 100,0 77,0 0,04 Stck.
0133161000 4" 100 128,0 133,0 103 0,07 Stck.
Falsche Produktdaten, Abweichungen bei Bildern/Videos sowie Preis- und Wechselkursänderungen vorbehalten.
Luk

Es dauert nur 1 Minute...

Luk
Einloggen

Ein Fehler ist aufgetreten!

Neues Passwort erstellen

Ein Fehler ist aufgetreten!

Wir haben Ihnen eine E-Mail zum Erstellen Ihres neuen Passworts geschickt. Bitte prüfen Sie auch den Spam-Ordner.