Kreuz - kurz, poliert, DIN

Die Außenseite des Kreuzes ist geschliffen, während die Innenseite gebeizt ist.
Wird mit glatten Enden geliefert.

Hergestellt aus rostfreiem Edelstahl AISI 316L/EN 1.4404.

Artikelnummer Nominal Dim.
mm.
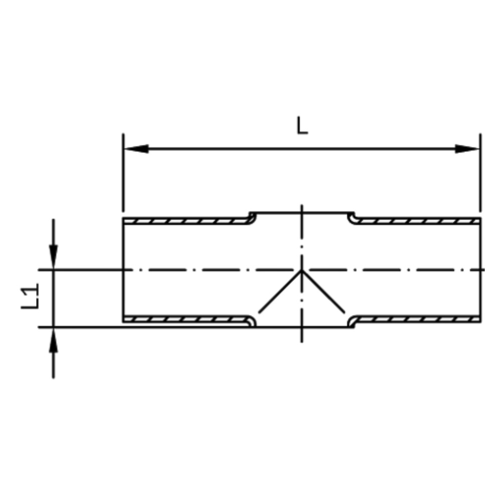
Nom. dim. - DN Länge L
mm.
Einbaumaße L
mm.
Materialdicke T
mm.
Nettogewicht
kg.
Basiseinheit Anzahl
0101710020 23,0 20 80,0 13,0 1,50 0,070 Stck.
0101710025 29,0 25 100,0 16,0 1,50 0,090 Stck.
0101710032 35,0 32 110,0 19,5 1,50 0,120 Stck.
0101710040 41,0 40 120,0 23,0 1,50 0,150 Stck.
0101710050 53,0 50 140,0 30,0 1,50 0,240 Stck.
0101710065 70,0 65 160,0 40,0 2,00 0,460 Stck.
0101710080 85,0 80 180,0 47,5 2,00 0,680 Stck.
0101710100 104,0 100 200,0 58,0 2,00 0,920 Stck.
Falsche Produktdaten, Abweichungen bei Bildern/Videos sowie Preis- und Wechselkursänderungen vorbehalten.
Luk

Es dauert nur 1 Minute...

Luk
Einloggen

Ein Fehler ist aufgetreten!

Neues Passwort erstellen

Ein Fehler ist aufgetreten!

Wir haben Ihnen eine E-Mail zum Erstellen Ihres neuen Passworts geschickt. Bitte prüfen Sie auch den Spam-Ordner.