AWH-Scheibenventil, ISO

Einsatzbereich:

AWH-Scheibenventil, handbetätigtes Sanitärklappenventil für den Einsatz in Verbindung mit Lebensmittelrohren.

Konstruktion:

  • Geliefert mit Dichtungen aus EPDM, alternativ aus HNBR und Viton
  • Glatte und leicht zu reinigende Außenfläche, innere Oberflächenrauheit ≤ 0,8 µ
  • Gerade mit Schweißende
  • Handgriff mit Sicherheitsverschluss
  • Vollständiger Durchgang

Qualität:

Hergestellt aus Edelstahl AISI 316L.

Betriebsbedingungen:

  • Temperatur von -10°C bis +95°C
  • Druck: max. 10 bar
  • Vakuum: Volles Vakuum 
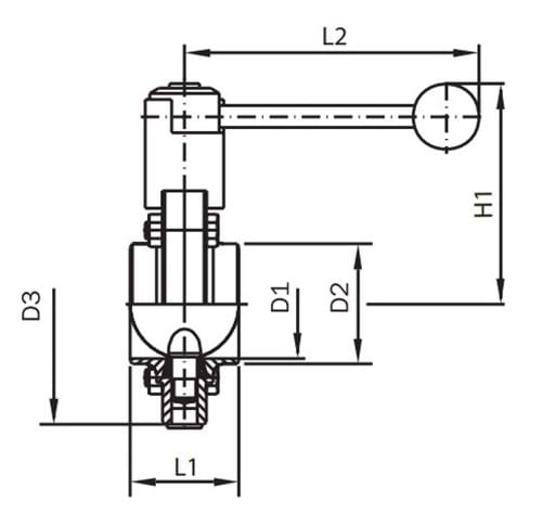
Artikelnummer Nominal dim.
Zoll
D1 Dm.
mm.
D2 Dm.
mm.
Dm. mm.
D3
Länge L1
mm.
Einbaumaße L2
mm.
Höhe H1 - mm. Arbeitsdruck
bar
Gummi
Qualität
Gewicht/Stk.
kg.
Basiseinheit Anzahl
0520250250 1" 22,1 25,4 87,0 38,0 107,5 90,5 10,0 EPDM 1,3 Stck.
0520250380 1½" 34,8 38,1 97,0 48,0 137,5 94,5 10,0 EPDM 1,50 Stck.
0520250510 2" 47,5 50,8 110,0 48,0 137,5 101,0 10,0 EPDM 1,8 Stck.
0520250640 2½" 60,2 63,5 127,0 47,0 137,5 110,0 10,0 EPDM 2,2 Stck.
0520250760 3" 72,1 76,1 142,0 60,0 167,0 123,0 10,0 EPDM 4,2 Stck.
0520251020 4" 97,4 101,6 162,0 64,0 167,0 136,0 10,0 EPDM 4,8 Stck.
0520260250 1" 22,1 25,4 87,0 38,0 107,5 90.5 10,0 VITON 1,3 Stck.
0520260380 1½" 34,8 38,1 97,0 48,0 137,5 94,5 10,0 VITON 1,5 Stck.
0520260510 2" 47,5 50,8 110,0 48,0 137,5 101,0 10,0 VITON 1,8 Stck.
0520260640 2½" 60,2 63,5 127,0 47,0 137,5 110,0 10,0 VITON 2,2 Stck.
0520260760 3" 72,1 76,1 142,0 60,0 167,0 123,0 10,0 VITON 4,2 Stck.
0520261020 4" 97,38 101,6 162,0 64,0 167,0 136,0 10,0 VITON 4,8 Stck.
0520270250 1" 22,1 25,4 87,0 38,0 107,5 90,5 10,0 HNBR 1,3 Stck.
0520270380 1½" 34,8 38,1 97,0 48,0 137,5 94,5 10,0 HNBR 1,5 Stck.
0520270510 2" 47,5 50,8 110,0 48,0 137,5 101,0 10,0 HNBR 1,8 Stck.
0520270640 2½" 60,2 63,5 127,0 47,0 137,5 110,0 10,0 HNBR 2,2 Stck.
0520270760 3" 72,1 76,1 142,0 60,0 167,0 123,0 10,0 HNBR 4,2 Stck.
0520271020 4" 97,38 101,6 162,0 64,0 167,0 136,0 10,0 HNBR 4,8 Stck.
Falsche Produktdaten, Abweichungen bei Bildern/Videos sowie Preis- und Wechselkursänderungen vorbehalten.
Luk

Es dauert nur 1 Minute...

Luk
Einloggen

Ein Fehler ist aufgetreten!

Neues Passwort erstellen

Ein Fehler ist aufgetreten!

Wir haben Ihnen eine E-Mail zum Erstellen Ihres neuen Passworts geschickt. Bitte prüfen Sie auch den Spam-Ordner.