Clamp Bundklemmstutzen, DIN, 11864-3, Serie C

Aseptischer Clamp Bundklemmstutzen nach Standard DIN 11864-3, Serie B.

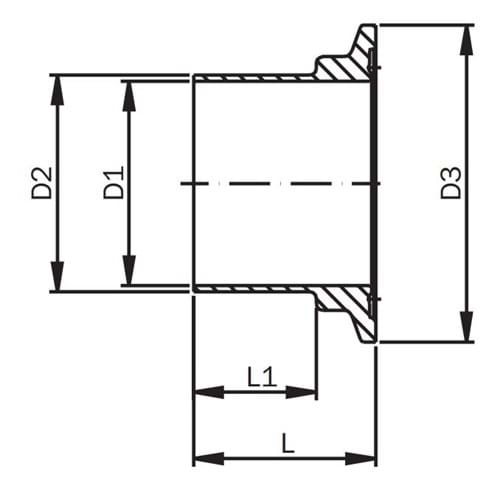
Hergestellt aus Edelstahl AISI 316L/EN 1.4404. 

Artikelnummer Nominal Dim.
mm.
Nominal dim.
Zoll
D1 Dm.
mm.
D2 Dm.
mm.
Dm. mm.
D3
Länge L
mm.
Einbaumaße L1
mm.
Nettogewicht
kg.
Basiseinheit Anzahl
0102285025C 25 1" 22,1 25,4 50,5 38,5 28,0 0,08 Stck.
0102285040C 38,0 1½" 34,8 38,1 64,0 44,0 30,0 0,120 Stck.
0102285050C 51,0 2" 47,5 50,8 77,5 44,5 30,0 0,170 Stck.
0102285065C 63,5 2½" 60,2 63,5 91,0 57,5 40,0 0,24 Stck.
0102285080C 76,2 3" 72,9 76,2 106,0 58,5 40,0 0,30 Stck.
0102285100C 100 4" 97,4 101,6 130,0 59,5 40,0 0,44 Stck.
Falsche Produktdaten, Abweichungen bei Bildern/Videos sowie Preis- und Wechselkursänderungen vorbehalten.
Luk

Es dauert nur 1 Minute...

Luk
Einloggen

Ein Fehler ist aufgetreten!

Neues Passwort erstellen

Ein Fehler ist aufgetreten!

Wir haben Ihnen eine E-Mail zum Erstellen Ihres neuen Passworts geschickt. Bitte prüfen Sie auch den Spam-Ordner.