Clamp Bundklemmstutzen, DIN, 11864-3, Serie B

Aseptischer Clamp Bundklemmstutzen nach Standard DIN 11864-3, Serie B.

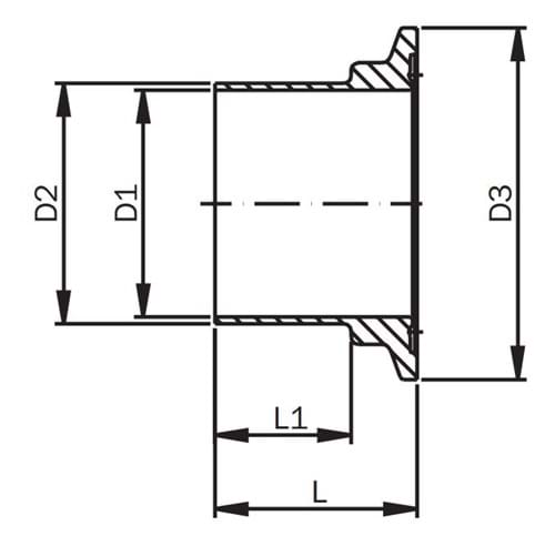
Hergestellt aus Edelstahl AISI 316L. 

Artikelnummer Nominal Dim.
mm.
D1 Dm.
mm.
D2 Dm.
mm.
Dm. mm.
D3
Länge L
mm.
Einbaumaße L1
mm.
Nettogewicht
kg.
Basiseinheit Anzahl
0102283013B 13,5 10,3 13,5 34,0 39,5 26,0 0,04 Stck.
0102283017B 17,2 14,0 17,2 34,0 38,0 26,0 0,04 Stck.
0102283021B 21,3 18,1 21,3 34,0 39,0 26,0 0,04 Stck.
0102283026B 26,9 23,7 26,9 50,5 39,0 30,0 0,08 Stck.
0102283033B 33,7 29,7 33,7 50,5 44,0 30,0 0,08 Stck.
0102283042B 42,4 38,4 42,4 64,0 44,0 30,0 0,12 Stck.
0102283048B 40,0 44,3 48,3 64,0 45,0 30,0 0,11 Stck.
0102283060B 60,3 56,3 60,3 91,0 57,0 40,0 0,22 Stck.
0102283076B 76,1 72,1 76,1 106,0 58,5 40,0 0,32 Stck.
0102283088B 88,9 84,3 88,9 119,0 61,0 40,0 0,36 Stck.
Falsche Produktdaten, Abweichungen bei Bildern/Videos sowie Preis- und Wechselkursänderungen vorbehalten.
Luk

Es dauert nur 1 Minute...

Luk
Einloggen

Ein Fehler ist aufgetreten!

Neues Passwort erstellen

Ein Fehler ist aufgetreten!

Wir haben Ihnen eine E-Mail zum Erstellen Ihres neuen Passworts geschickt. Bitte prüfen Sie auch den Spam-Ordner.