Vakuum-Flansch, KF

Einsatzbereich:

Vakuum-Flansch nach KF-Standard (Klein Flange), der für vakuumdichte Verbindungen zwischen Rohren, Ventilen, Vakuumkammern und Pumpen verwendet wird. Die Verbindung kann ohne Werkzeuge montiert und demontiert werden und ist daher ideal für Vakuumsysteme mit häufiger Wartung oder häufigen Änderungen in der Konstruktion.

Konstruktion:

Die Flansche werden mit Hilfe eines Zentrierrings mit integriertem Dichtung verbunden, der mit einer äußeren KF-Klemme fixiert wird. Die Konstruktion gewährleistet eine schnelle und zuverlässige Abdichtung, die sowohl für niedriges, mittleres als auch hohes Vakuum geeignet ist.

  • Entspricht den Normen DIN 28403 und ISO 2861.
  • Anschlüsse sind von DN10 bis DN50 erhältlich.
  • Der Vakuumdruck hängt vom gewählten Dichtung-Material ab.

Qualität:

Hergestellt aus Edelstahl AISI 316L. Das Material und die Konstruktion garantieren die Kompatibilität mit anderen standardisierten KF-Komponenten gemäß den geltenden DIN/ISO-Normen.

Vakuum/Unterdruck:

10-7 mbar.

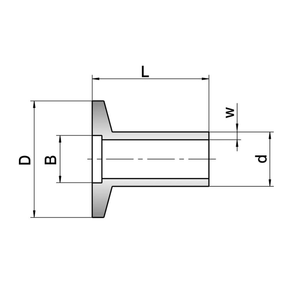
Artikelnummer Nom. dim. - DN D Dm.
mm.
Dia. mm. - B D Dm.
mm.
DIN dia. mm. Länge L
mm.
Materialdicke T
mm.
Gewicht/Stk.
kg.
Anzahl
0102901030 DN10 14,0 12,2 30,0 DN10 30,0 2,0 0,037
0102901630 DN16 20,0 17,2 30,0 DN16 30,0 2,0 0,038
0102902530 DN25 28,0 26,2 40,0 DN25 30,0 2,0 0,056
0102904030 DN40 44,5 41,2 55,0 DN40 30,0 2,0 0,087
0102905030 DN50 57,0 52,4 75,0 DN50 30,0 3,2 0,190
Falsche Produktdaten, Abweichungen bei Bildern/Videos sowie Preis- und Wechselkursänderungen vorbehalten.
Luk

Es dauert nur 1 Minute...

Luk
Einloggen

Ein Fehler ist aufgetreten!

Neues Passwort erstellen

Ein Fehler ist aufgetreten!

Wir haben Ihnen eine E-Mail zum Erstellen Ihres neuen Passworts geschickt. Bitte prüfen Sie auch den Spam-Ordner.