Pneumatik Winkelsteckverbindung, Drehgelenk

Einsatzbereich:

Steckverbindung mit Drehgelenk und BSPP-Gewinde geeignet für Druckluftschläuche in Verbindung mit pneumatisch gesteuerten Komponenten in der Lebensmittel-, Chemie- und Pharmaindustrie.

Konstruktion:

Entwickelt, um ein hohes Maß an Hygiene und eine lange Lebensdauer zu erreichen.
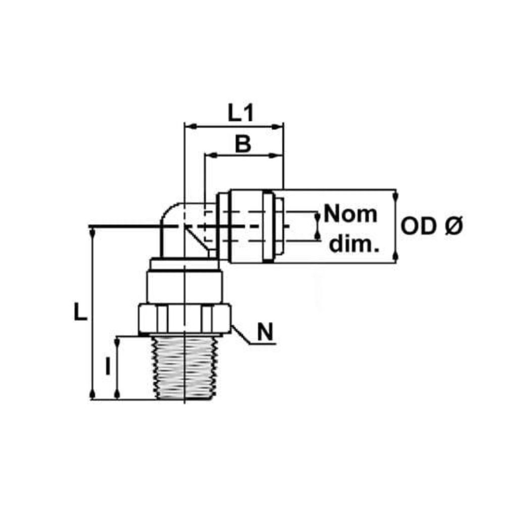
Mit Aussengewinde, BSPT.

Qualität:

  • Hergestellt aus POM
  • EPDM Dichtung

Standards:

EG 1935/2004.

Temperatur:

Die Temperatur reicht von +1°C bis +98°C.
Arbeitsdruck: 20 bar. 

Artikelnummer Verbindung
RG
Nominal Dim.
mm.
OD Ø Dm.
mm.
Länge B
mm.
Länge L
mm.
Einbaumaße L1
mm.
Fadenlänge I
mm.
Schlüsselweite
mm.
Nettogewicht
kg.
Basiseinheit Anzahl
02791HRPL0601W 1/8" 6,0 15,0 16,1 31,7 20,1 9,1 17,0 0,0072 Stck.
02791HRPL0602W 1/4" 6,0 15,0 16,1 31,7 20,1 13,1 17,0 0,008 Stck.
Falsche Produktdaten, Abweichungen bei Bildern/Videos sowie Preis- und Wechselkursänderungen vorbehalten.
Luk

Es dauert nur 1 Minute...

Luk
Einloggen

Ein Fehler ist aufgetreten!

Neues Passwort erstellen

Ein Fehler ist aufgetreten!

Wir haben Ihnen eine E-Mail zum Erstellen Ihres neuen Passworts geschickt. Bitte prüfen Sie auch den Spam-Ordner.