Pneumatik Winkelsteckverbindung, Drehgelenk, BSPP

Einsatzbereich:

Winkelsteckverbindung mit Drehgelenk und BSPP-Gewinde geeignet für Druckluftschläuche in Verbindung mit pneumatisch gesteuerten Komponenten in der Lebensmittel-, Chemie- und Pharmaindustrie.

Konstruktion:

Entwickelt um ein hohes Maß an Hygiene und eine lange Lebensdauer zu erreichen.

Qualität:

  • Hergestellt aus POM
  • EPDM Dichtung

Standards:

EG 1935/2004.

Temperatur:

Die Temperatur reicht von +1°C bis +98°C.
Arbeitsdruck: 20 bar. 

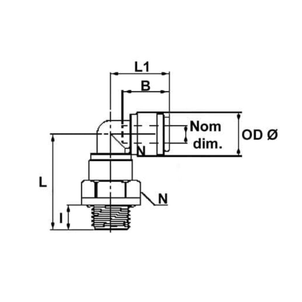
Artikelnummer Nominal Dim.
mm.
Verbindung
RG
OD Ø Dm.
mm.
Länge B
mm.
Länge L
mm.
Einbaumaße L1
mm.
Fadenlänge I
mm.
Schlüsselweite
mm.
Nettogewicht
kg.
Basiseinheit Anzahl
02791HRPL0801W 8,0 1/8" 17,6 17,5 31,9 21,9 6,0 18,0 0,0104 Stck.
02791HRPL0802W 8,0 1/4" 17,6 17,5 34,4 21,9 8,5 18,0 0,011 Stck.
02791HRPL0803W 8,0 3/8" 17,6 17,5 34,9 21,9 9,0 22,0 0,0128 Stck.
02791HRPL1002W 10,0 1/4" 20,0 20,1 38,0 25,8 8,5 22,0 0,0154 Stck.
02791HRPL1003W 10,0 3/8" 20,0 20,1 38,5 25,8 9,0 22,0 0,0158 Stck.
02791HRPL1004W 10,0 1/2" 20,0 20,1 42,0 25,8 12,5 26,0 0,0191 Stck.
02791HRPL1203W 12,0 3/8" 23,0 24,7 43,7 31,7 9,0 26,0 0,0232 Stck.
Falsche Produktdaten, Abweichungen bei Bildern/Videos sowie Preis- und Wechselkursänderungen vorbehalten.
Luk

Es dauert nur 1 Minute...

Luk
Einloggen

Ein Fehler ist aufgetreten!

Neues Passwort erstellen

Ein Fehler ist aufgetreten!

Wir haben Ihnen eine E-Mail zum Erstellen Ihres neuen Passworts geschickt. Bitte prüfen Sie auch den Spam-Ordner.