130 Gleitringdichtung

Anwendung:

Starke Konstruktion und geeignet für Flüssigkeiten, die Kristalle enthalten oder deren Viskosität hoch ist, wie z. B. Zucker.

Konstruktion:

  • Gleitringdichtung mit Federn geschützt im Edelstahlgehäuse
  • Das Gehäuse ist mit einem O-Ring versehen, der als Sekundärdichtung um die Achse agiert.
  • Kombiniert mit O-Ring-Sitzen
  • Ist nicht richtungsweisend

Qualität:

  • Gehäuse und Federn aus rostfreiem Stahl
  • O-Ringe aus NBR, EPDM oder Viton-Kautschuk
  • Dichtungsring aus Kohlenstoff oder Silizium
  • Der Sitz ist aus rostfreiem Stahl, Keramik oder Silikon gefertigt '

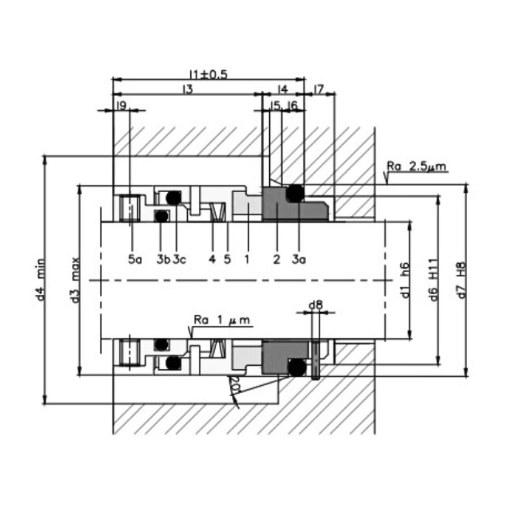
Bestandteile:

1. Rotierende Kontaktfläche
2. Stationäre Kontaktfläche
3a. O-Ringe
3b. O-Ringe
3c. O-Ringe
4. Feder
5. Metallrahmen
6. Stellschrauben

Artikelnummer Schaftdm.
mm.
Rotierendes Teil
Material
Stationärer Teil
Material
Gummi
Qualität
Stationär
Typ
Basiseinheit Anzahl
03451300167V 16,0 Sic Sic Viton Stck.
03451300245V 24,0 Kohle Sic Viton Stck.
03451300247E 24,0 Sic Sic EPDM Stck.
03451300247V 24,0 Sic Sic Viton Stck.
03451300253V 25,0 Kohle Cer Viton Stck.
03451300255V 25,0 Kohle Sic Viton Stck.
0345130025603E 25,0 Kohle Cer EPDM L60 Stck.
0345130025605E 25,0 Kohle Sic EPDM L60 Stck.
03451300257V 25,0 Sic Sic Viton Stck.
0345130028065V 28,0 Kohle Sic Viton L6 Stck.
0345130028167E 28,0 Sic Sic EPDM Stck.
0345130028167V 28,0 Sic Sic Viton Stck.
0345130028605V 28,0 Kohle Sic Viton L60 Stck.
0345130030097V 30,0 Sic Sic Viton L9 Stck.
03451300307E 30,0 Sic Sic EPDM Stck.
03451300307V 30,0 Sic Sic Viton Stck.
03451300337V 33,0 Sic Sic Viton Stck.
03451300355E 35,0 Kohle Sic EPDM L16 Stck.
0345130038065V 38,0 Kohle Sic Viton L6 Stck.
0345130038605V 38,0 Kohle Sic Viton L60 Stck.
0345130040065E 40,0 Kohle Sic EPDM Stck.
03451300400L5E 40,0 Kohle Sic EPDM Stck.
03451300407V 40,0 Sic Sic Viton Stck.
03451300455E 45,0 Sic Sic EPDM Stck.
03451300457V 45,0 Sic Sic Viton Stck.
03451300505E 50,0 Kohle Sic EPDM Stck.
03451300505V 50,0 Kohle Sic Viton Stck.
03451300601E 60,0 Kohle Rostfrei EPDM Stck.
03451300607E 60,0 Sic Sic EPDM Stck.
03451300637E 63,0 Sic Sic EPDM Stck.
0345130070065V 70,0 Kohle Sic Viton L6 Stck.
0345130070067V 70,0 Sic Sic Viton L6 Stck.
Falsche Produktdaten, Abweichungen bei Bildern/Videos sowie Preis- und Wechselkursänderungen vorbehalten.
Luk

Es dauert nur 1 Minute...

Luk
Einloggen

Ein Fehler ist aufgetreten!

Neues Passwort erstellen

Ein Fehler ist aufgetreten!

Wir haben Ihnen eine E-Mail zum Erstellen Ihres neuen Passworts geschickt. Bitte prüfen Sie auch den Spam-Ordner.