600 Gleitringdichtung

Anwendung:

Starke Konstruktion und geeignet für Flüssigkeiten, die Kristalle enthalten oder eine hohe Viskosität aufweisen, z. B. Zucker.

Konstruktion:

  • Gleitringdichtung mit Federn geschützt im Edelstahlgehäuse
  • Das Gehäuse ist mit einem O-Ring versehen, der als Sekundärdichtung um die Achse agiert.
  • Ist nicht richtungsweisend
  • Kombiniert mit O-Ringen

Qualität:

  • Gehäuse und Federn aus rostfreiem Stahl
  • O-Ringe aus NBR, EPDM oder Viton-Kautschuk
  • Dichtungsring aus Kohlenstoff oder Silizium
  • Der Sitz ist aus rostfreiem Stahl, Keramik oder Silikon gefertigt 

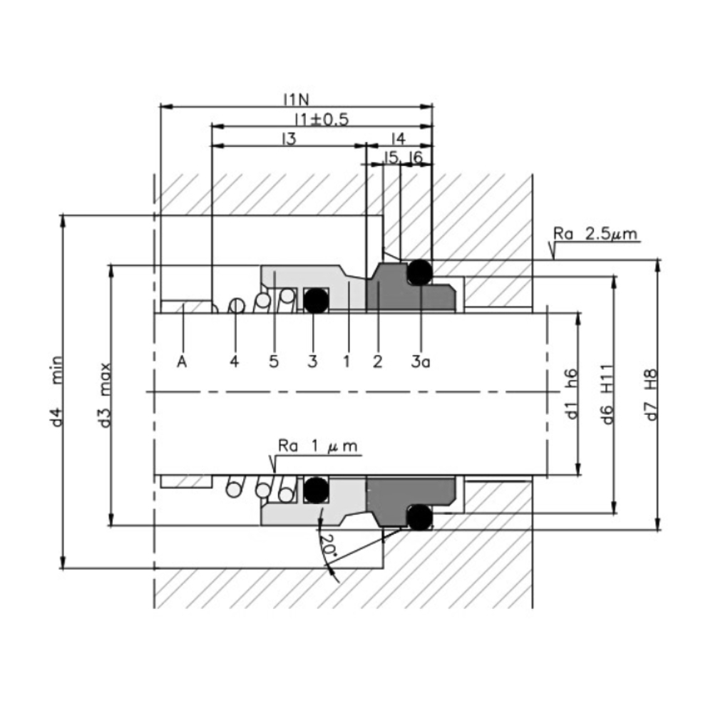
Bestandteile:

1. Rotierende Kontaktfläche
2. Stationäre Kontaktfläche
3. O-Ringe
3a. O-Ringe
4. Feder
5. Metallrahmen
A. Nicht mit der Dichtung mitgelieferter Abstandhalter

Artikelnummer Schaftdm.
mm.
Rotierendes Teil
Material
Stationärer Teil
Material
Gummi
Qualität
Stationär
Typ
Basiseinheit Anzahl
034560010507V 10,0 Sic Sic Viton L50 Stck.
0345600107V 10,0 Sic Sic Viton 0 Stck.
0345600127V 12,0 Sic Sic Viton 0 Stck.
034560016001E 16,0 Rostfrei Kohle EPDM 0 Stck.
034560016007E 16,0 Sic Sic EPDM 0 Stck.
034560018007N 18,0 Sic Sic NBR 0 Stck.
034560020011E 20,0 Kohle Rostfrei EPDM DIN L1 Stck.
034560020017E 20,0 Sic Sic EPDM DIN L1 Stck.
034560022131E 22,0 Kohle Kohle EPDM L13 Stck.
0345600240L1E 24,0 Kohle Rostfrei EPDM L Stck.
0345600247E 24,0 Sic Sic EPDM L60 Stck.
034560025047E 25,0 Sic Sic EPDM L4 Stck.
034560025097E 25,0 Sic Sic EPDM L9 Stck.
034560025137V 25,0 Sic Sic Viton L13 Stck.
0345600257E 25,0 Sic Sic EPDM L60 Stck.
034560028007NV 28,0 Sic Sic NBR 0 Stck.
034560028007VV 28,0 Sic Sic Viton 0 Stck.
034560028017E 28,0 Sic Sic EPDM DIN L1 Stck.
034560028607V 28,0 Sic Sic VITON L60 Stck.
034560030097E 30,0 Sic Sic EPDM L9 Stck.
0345600300L5E 30,0 Kohle Sic EPDM L Stck.
034560035017E 35,0 Sic Sic EPDM DIN L1 Stck.
034560038015N 38,0 Kohle Sic NBR DIN L1 Stck.
034560038015V 38,0 Kohle Sic Viton DIN L1 Stck.
034560038LD1E 38,0 Kohle Rostfrei EPDM DIN L Stck.
034560038LD7V 38,0 Sic Sic Viton DIN L Stck.
034560038LD7VL 38,0 Sic Sic Viton DIN L Stck.
034560043131E 43,0 Kohle Rostfrei EPDM L13 Stck.
0345600507V 50,0 Sic Sic Viton DIN Stck.
0345600551F 55,0 Kohle Rostfrei FEP L9 Stck.
0345600601E 60,0 Kohle Rostfrei EPDM L13 Stck.
034560060L11E 60,0 Kohle Rostfrei EPDM DIN L1 Stck.
0345600637N 63,0 Sic Sic NBR DIN Stck.
0345600B161E 16,0 Kohle Rostfrei EPDM DIN Stck.
0345600D30015E 30,0 Kohle Sic EPDM DIN L Stck.
0345600D32011N 32,0 Kohle Rostfrei NBR DIN L1 Stck.
0345600D38LD7E 38,0 Sic Sic EPDM DIN L Stck.
0345600D38LD7EL 38,0 Sic Sic EPDM DIN L Stck.
0345600D551E 55,0 Kohle Rostfrei EPDM DIN L Stck.
0345600D70011E 70,0 Kohle Rostfrei EPDM DIN L Stck.
Falsche Produktdaten, Abweichungen bei Bildern/Videos sowie Preis- und Wechselkursänderungen vorbehalten.
Luk

Es dauert nur 1 Minute...

Luk
Einloggen

Ein Fehler ist aufgetreten!

Neues Passwort erstellen

Ein Fehler ist aufgetreten!

Wir haben Ihnen eine E-Mail zum Erstellen Ihres neuen Passworts geschickt. Bitte prüfen Sie auch den Spam-Ordner.