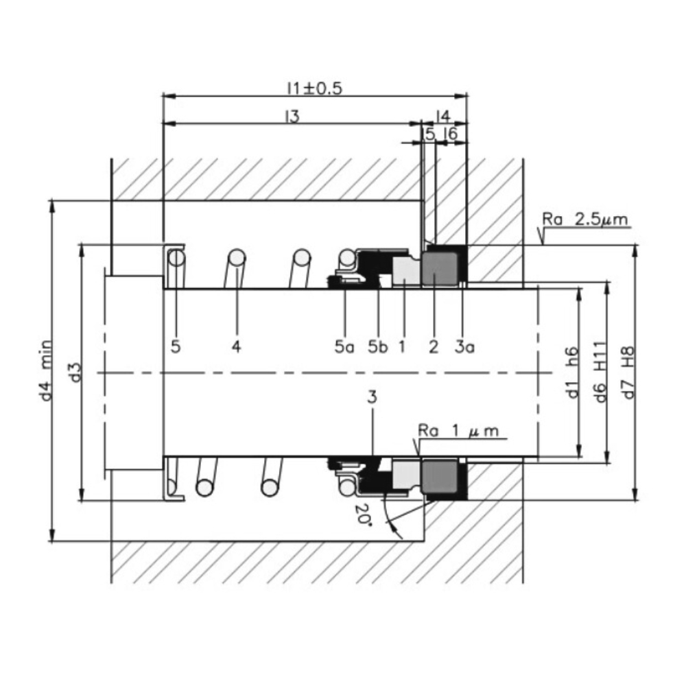
Typ 212 Gleitringdichtung

Anwendung:

Gleitringdichtung für z.B. Rohrleitungen.

Kann z.B. in RCN-3A; RCN-4; LKR 5 und 4512 eingebaut werden.

Konstruktion:

  • Die Gleitringdichtung hat eine offene Druckfeder
  • Ausgestattet mit einer Gummimanschette, die als Sekundärdichtung um die Achse agiert.
  • Ist nicht richtungsweisend

Qualität:

  • Feder aus rostfreiem Stahl
  • Gummifaltenbalg aus Nitril- oder EPDM-Gummi
  • Der Gleitring ist aus Kohlenstoff oder Silizium
  • Der Sitz ist aus Keramik oder Silikon gefertigt 

Bestandteile:

1. Rotierende Kontaktfläche
2. Stationäre Kontaktfläche
3. Faltenbalg
3a. Elastische Schale
4. Feder
5. Klammern
5a. Antriebsring
5b. Metallrahmen

Artikelnummer Schaftdm.
mm.
Rotierendes Teil
Material
Stationärer Teil
Material
Gummi
Qualität
Pumpe
Typ
Basiseinheit Anzahl
03452120103E 10,0 Kohle Cer EPDM Stck.
03452120103N 10,0 Kohle Cer NBR Stck.
03452120123E 12,0 Kohle Cer EPDM Stck.
03452120123N 12,0 Kohle Cer NBR Stck.
03452120125N 12,0 Kohle Sic NBR Stck.
03452120133E 13,0 Kohle Cer EPDM Stck.
03452120153N 15,0 Kohle Cer NBR Stck.
03452120163E 16,0 Kohle Cer EPDM Stck.
03452120163N 16,0 Kohle Cer NBR Stck.
03452120165E 16,0 Kohle Sic EPDM Stck.
03452120183E 18,0 Kohle Cer EPDM Stck.
03452120183N 18,0 Kohle Cer NBR Stck.
0345212018S5N 18,0 Kohle Sic NBR Stck.
03452120203E 20,0 Kohle Cer EPDM RCN-3A & 4533 Stck.
03452120203N 20,0 Kohle Cer NBR RCN-3A & 4533 Stck.
03452120205E 20,0 Kohle Sic EPDM RCN-3A & 4533 Stck.
03452120207E 20,0 Sic Sic EPDM RCN-3A & 4533 Stck.
03452120207N 20,0 Sic Sic NBR RCN-3A & 4533 Stck.
03452120207V 20,0 Sic Sic Viton RCN-3A & 4533 Stck.
03452120223N 22,0 Kohle Cer NBR Stck.
03452120243E 24,0 Kohle Cer EPDM Stck.
03452120243N 24,0 Kohle Cer NBR Stck.
0345212024L43E 24,0 Kohle Cer EPDM Stck.
03452120253E 25,0 Kohle Cer EPDM Stck.
03452120253N 25,0 Kohle Cer NBR Stck.
03452120255E 25,0 Kohle Sic EPDM Stck.
03452120257E 25,0 Sic Sic EPDM Stck.
03452120257N 25,0 Sic Sic NBR Stck.
03452120283E 28,0 Kohle Cer EPDM Stck.
03452120285E 28,0 Kohle Sic EPDM Stck.
03452120303E 30,0 Kohle Cer EPDM Stck.
03452120303N 30,0 Kohle Cer NBR Stck.
03452120305E 30,0 Kohle Sic EPDM Stck.
03452120305N 30,0 Kohle Sic NBR Stck.
03452120307E 30,0 Sic Sic EPDM Stck.
03452120307N 30,0 Sic Sic NBR Stck.
03452120307V 30,0 Sic Sic Viton Stck.
03452120323E 32,0 Kohle Cer EPDM Stck.
03452120323N 32,0 Kohle Cer NBR Stck.
03452120353E 35,0 Kohle Cer EPDM 4512; 4534 & LKR-5 Stck.
03452120353N 35,0 Kohle Cer NBR 4512; 4534 & LKR-5 Stck.
03452120353V 35,0 Kohle Cer Viton 4512; 4534 & LKR-5 Stck.
03452120355E 35,0 Kohle Sic EPDM 4512; 4534 & LKR-5 Stck.
03452120355N 35,0 Kohle Sic NBR 4512; 4534 & LKR-5 Stck.
03452120355V 35,0 Kohle Sic Viton 4512; 4534 & LKR-5 Stck.
03452120357E 35,0 Sic Sic EPDM 4512; 4534 & LKR-5 Stck.
03452120357N 35,0 Sic Sic NBR 4512; 4534 & LKR-5 Stck.
03452120357V 35,0 Sic Sic Viton 4512; 4534 & LKR-5 Stck.
03452120383E 38,0 Kohle Cer EPDM Stck.
03452120383N 38,0 Kohle Cer NBR Stck.
03452120403E 40,0 Kohle Cer EPDM RCN-4 Stck.
03452120403N 40,0 Kohle Cer NBR RCN-4 Stck.
03452120403V 40,0 Kohle Cer Viton RCN-4 Stck.
03452120405E 40,0 Kohle Sic EPDM RCN-4 Stck.
03452120407E 40,0 Sic Sic EPDM RCN-4 Stck.
03452120407N 40,0 Sic Sic NBR RCN-4 Stck.
03452120407V 40,0 Sic Sic Viton RCN-4 Stck.
03452120433N 43,0 Kohle Cer NBR Stck.
03452120453E 45,0 Kohle Cer EPDM Stck.
03452120453N 45,0 Kohle Cer NBR Stck.
03452120455E 45,0 Kohle Sic EPDM Stck.
03452120455N 45,0 Kohle Sic NBR Stck.
03452120457E 45,0 Sic Sic EPDM Stck.
03452120457N 45,0 Sic Sic NBR Stck.
03452120457V 45,0 Sic Sic Viton Stck.
03452120503E 50,0 Kohle Cer EPDM Stck.
03452120503N 50,0 Kohle Cer NBR Stck.
03452120507E 50,0 Sic Sic EPDM Stck.
03452120507N 50,0 Sic Sic NBR Stck.
03452120507V 50,0 Sic Sic Viton Stck.
0345212055L15N 55,0 Kohle Sic NBR Stck.
03452120603E 60,0 Kohle Cer EPDM Stck.
03452120603N 60,0 Kohle Cer NBR Stck.
03452120605E 60,0 Kohle Sic EPDM Stck.
03452121003E 100,0 Kohle Cer EPDM Stck.
Falsche Produktdaten, Abweichungen bei Bildern/Videos sowie Preis- und Wechselkursänderungen vorbehalten.
Luk

Es dauert nur 1 Minute...

Luk
Einloggen

Ein Fehler ist aufgetreten!

Neues Passwort erstellen

Ein Fehler ist aufgetreten!

Wir haben Ihnen eine E-Mail zum Erstellen Ihres neuen Passworts geschickt. Bitte prüfen Sie auch den Spam-Ordner.